24.06.2025 aktualisiert


nicht verfügbar
Prozessleittechnik / Softwareentwickler PCS7, Step7, TIA, WinCC, C++, Python
Bochum, Deutschland
Weltweit
Master of Science in Engineering - Fachrichtung Automatik und RobotikSkills
- Engineering: SPS Programmierung, Prozessletitechnik, SCADA,SIMATIC Step7, PCS7,TIA Portal, WinCC, Unity Pro,Vijeo Designer, Simocode ES, Sinamics Starter, Simatic Batch, Simatic Route Control, iFix, InTouch
- Programmierung / IT: IEC61131, SCL, C++, Python, Javascript, Visual Basic, Matlab, Django, React, SQL, Git, Docker, AWS
- Sonnstige: Softwaredesign, Prozesssimulation, Dokumentation und Test, GMP, Inbetriebnahme von Prozessleitsystemen
Sprachen
DeutschverhandlungssicherEnglischverhandlungssicherPolnischMutterspracheRussischgut
Portfolio

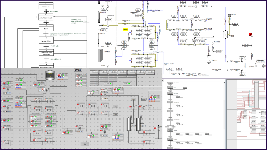
PCS7 Actemium Bachem
Programmieren von Grundfunktionen für eine Pharma-Anlage mit PCS7 9.1

Veracruz Brauerei
Programmierung und FAT von eine Filtrationsanlage für Brauerei in Mexico. PCS7 v9.1

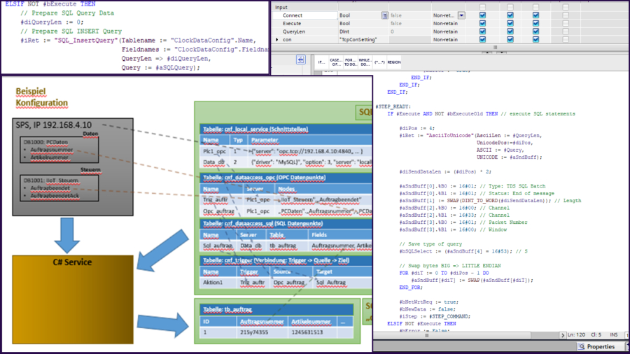
SIM IIoT
Entwicklung einer IIoT-Funktionsbibliothek für TIA Portal. Bibliothek, geschrieben in der strukturierten Textsprache (SCL), die auf einem PLC arbeitet, um Datenarchivierung auf SQL-Servern (Microsoft, MySQL) und FTP-Servern unter Verwendung offener TCP-Kommunikation zu ermöglichen

Hochland Polen
Programmierung und Inbetriebnahme von Milchbearbeitungsanlage: Separator, Milcherhitzer und Filteranlagen

Invite MoBiDik
Programmierung und Inbetriebnahme von modularen Bioproduktionsanlage
https://www.invite-research.com/research/former-research-projects/mobidik