23.09.2025 aktualisiert


100 % verfügbar
Senior Engineer & Technical Lead Embedded Systems / ML / Powertrain
Aachen, Deutschland
Weltweit
Dr.-Ing.Skills
Automotive EngineeringCalibrationembedded softwarepowertrainINCA (ETAS)Maschinelles LernenData ScieneRegelungstechnikStrategy DevelopmentMentoringDefense
Kurzprofil – Dr.-Ing. | Freiberuflicher Engineer & Data-Scientist
Seit 15 Jahren bringe ich anspruchsvolle Technologie-Projekte von der Idee in die Serie – vom modellbasierten ECU-Regler im Powertrain bis zu Machine-Learning-Pipelines für Computer Vision. Dabei verbinde ich tiefes Domänenwissen (Mechanik, Thermodynamik, Antriebsregelung) mit moderner Software-Engineering-Praxis.
Warum ich Recruiter neugierig mache
Typische Einsatzfelder
Sprachen: Deutsch (C2), Englisch (C1), Niederländisch (A2)
Seit 15 Jahren bringe ich anspruchsvolle Technologie-Projekte von der Idee in die Serie – vom modellbasierten ECU-Regler im Powertrain bis zu Machine-Learning-Pipelines für Computer Vision. Dabei verbinde ich tiefes Domänenwissen (Mechanik, Thermodynamik, Antriebsregelung) mit moderner Software-Engineering-Praxis.
Warum ich Recruiter neugierig mache
- Branchenbreite: Automotive, Energie, Robotik, MedTech – jeweils nachweisbare Projekte als Projekt- oder Team-Lead.
- Full-Stack Engineering:
- Embedded C/C++ & Matlab/Simulink (Model-Based Design, ISO 26262)
- Python | PyTorch | TensorFlow | OpenCV – Objekterkennung, Sensordaten-Analytics (LiDAR, GNSS)
- Algorithmus- und Control-Design (PI/State-Space, FOC, Kalman)
- CI/CD & Git-Workflow – automatisiertes Testing und Release in verteilten Teams.
- Innovation & Leadership: Gründer-CEO, >50 FTE geführt, >20 Patente initiiert; Stakeholder-Management von OEM bis Start-up.
- Ergebnisfokus: Schnelle Tiefenanalyse kritischer Details → klare Roadmap → messbare Produktivitäts- und Qualitätssprünge.
Typische Einsatzfelder
- Senior Data Scientist / CV Engineer (Training & Deployment multimodaler Modelle)
- Embedded-/Control-Lead (Reglerkonzepte, Algorithmus-Entwicklung, Safety-Software, Simulink-Autocode)
- Technical Program-/Portfolio-Owner (Batterie-, BESS- oder HV-Systeme)
- Interims-CTO/Tech-GM (Innovationsteams > 50 MA, P&L-Verantwortung)
Sprachen: Deutsch (C2), Englisch (C1), Niederländisch (A2)
Sprachen
DeutschMutterspracheEnglischverhandlungssicher
Projekthistorie
Development of a SW architecture for a battery management system (BMS)
Scope is a functional safe architecture according to ASIL C for ISO26262
Role in the project is SW architect, mentor and lead developer
Scope is a functional safe architecture according to ASIL C for ISO26262
Role in the project is SW architect, mentor and lead developer
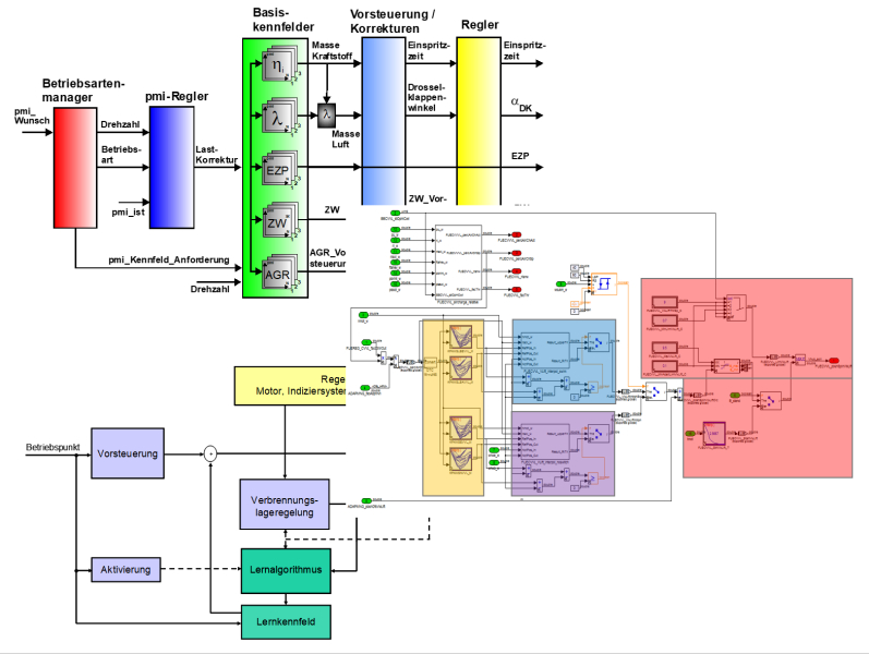
Calibration of Inverter Software
Identification of gaps in current FOC software and hardware design
Specification (as a Simulink model) of missing software components in inverter, such as a thermal model as basis of derating functionality.
Lead role for calibration of Inverter functionality
Task force management, Solution management
Coordination of activities at customer site such as test planning, priorization and stakeholder management
Identification of gaps in current FOC software and hardware design
Specification (as a Simulink model) of missing software components in inverter, such as a thermal model as basis of derating functionality.
Lead role for calibration of Inverter functionality
Task force management, Solution management
Coordination of activities at customer site such as test planning, priorization and stakeholder management
Definition of a model based software architecture for hyrdogen fuel cell systems
Consutancy according to development processes, software architecture and communication interface definition
Role in the project is mainy Mentor/Advisor and SW architect
Consutancy according to development processes, software architecture and communication interface definition
Role in the project is mainy Mentor/Advisor and SW architect
Portfolio


Waste Heat Recovery
Development of a WHRC cycle for utilization of combustion engine exhaust heat with a novel small steam turbine
http://gofficient.net/
Neural networks
Training methods for MLP neural networks for application inside engine controls unit
http://gofficient.net/
ECU Control Software
Embedded Software Development for complex (engine) control unit design
http://gofficient.net/