10.11.2025 aktualisiert


100 % verfügbar
Technischer Zeichner, Stromlaufpläne mit Microsoft Visio
Friedberg, Hessen, Germany, Deutschland
Weltweit
Staatlich geprüfter Techniker im Bereich Energietechnik und ProzessautomatisierungÜber mich
MarkusCAD erstellt professionelle Stromlaufpläne und technische Zeichnungen mit Microsoft Visio 2021 Professional. Wir unterstützen Unternehmen, Handwerksbetriebe und Privatkunden bei der präzisen Dokumentation und Planung von Elektroinstallationen.
Skills
LuftfrachtNeubauSchaltplanMicrosoft VisioElektroinstallationsarbeitenSchreiben von DokumentationAblaufplanungTechnische ZeichnungenUnternehmensstrukturen
MarkusCAD erstellt professionelle Stromlaufpläne und technische Zeichnungen mit Microsoft Visio 2021 Professional. Wir unterstützen Unternehmen, Handwerksbetriebe und Privatkunden bei der präzisen Dokumentation und Planung von Elektroinstallationen.
Ob Neubau, Umbau oder Nachdokumentation, wir unterstützen Sie dabei, elektrische Installationen transparent und normgerecht darzustellen.
Trotz unserer jungen Unternehmensstruktur bringen wir jahrelange Erfahrung aus verschiedenen Branchen mit, von der Pharmaindustrie über die Luftfracht bis hin zu klassischen Handwerksprojekten.
Sprachen
DeutschMutterspracheEnglischverhandlungssicherPolnischgut
Portfolio

Deckblatt
Deckblatt

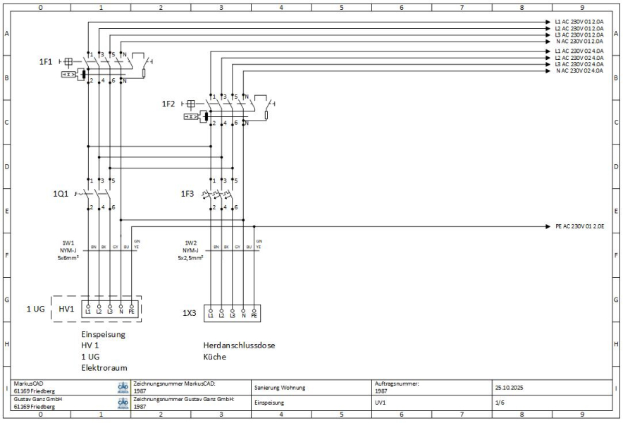
Einspeisung
Einspeisung

Stromkreise Steckdosen
Stromkreise Steckdosen

Stromkreise Steckdosen
Stromkreise Steckdosen

Stromkreise Steckdosen
Stromkreise Steckdosen

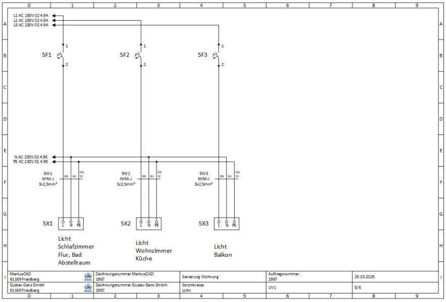
Stromkreise Licht
Stromkreise Licht